氣動真空蝶閥
- 閥門型號:GIQ高真空蝶閥
- 通徑規格:DN50-DN400
- 結構形式:對夾式
- 閥體材質:不銹鋼304、316、316L
- 公稱壓力:1.3×10-5Pa~3×105Pa
- 適用溫度:丁腈橡膠-25~+80℃,氟橡膠-30~+150℃
- 應用范圍:真空系統,空氣及非腐蝕性氣體
- 產品特點:密封性能好,能用于真空狀態,也可在低壓狀態下使用
氣動高真空蝶閥概述:
GIQ氣動高真空蝶閥是指工作壓力低于標準大氣壓,形成一定真空的閥門,是真空系統中用來調節氣流量、切斷和接通管路的元件,一般用于控制空氣和非腐蝕性氣體。氣動真空蝶閥的閥板采用夾緊結構,把閥板的密封圈夾緊,泄露量為零,除了能用在真空狀態下,也能在低壓狀態下使用。氣動真空蝶閥以壓縮空氣為動力,帶動碟板旋轉來作啟閉運動,從而達到對管路氣流的接通或切斷,分為雙作用和單作用,單作用具有彈簧復位的作用,可在故障時自動復位。
氣動高真空蝶閥特點:
1、軸承采用自潤滑軸承,摩擦阻力小。
2、不必從管路上拆卸閥門即可更換蝶板密封圈。
3、該閥能對介質雙向截止,實現可靠的密封,雙向零泄漏。
4、軸封采用具有自動補償的特殊結構,隔斷外界大氣與管道的連通,從而保證管道的真空度。
氣動高真空蝶閥技術參數:| 適用范圍(Pa) | 2x105~1.3x10-5 |
| 漏氣率(Pa.L/S) | ≤1.3x10-6 |
| 驅動形式 | 壓縮空氣(4-7bar) |
| 介質溫度(℃) | 丁腈橡膠-25 ~ +80,氟橡膠-30 ~ +150 |
| 法蘭標準 | GB6070.3-85 |
| 安裝位置 | 任意 |
| 作用形式 |
單作用式:氣關式(B)--失氣時閥位開(FO);氣開式(K)--失氣時閥位關(FC)
雙作用式:氣關式(B)--失氣時閥位保持(FL);氣開式(K)-- 失氣時閥位保持(FL) |
| 控制方式 |
| 開關型(開關切斷) |
|---|
|
| 調節型(4-20mA信號調節流量大小) |
氣動高真空蝶閥執行機構:| 執行器型號 | GT、AT、AW系列單雙作用氣動執行器 |
| 供氣壓力 | 0.4~0.7MPa |
| 氣源接口 | G1/4"、G1/8"、G3/8"、G1/2" |
| 環境溫度 | -30~+70℃ |
| 作用形式 | 單作用執行機構、雙作用執行機構 |
| 可選附件 | 定位器、電磁閥、空氣過濾減壓器、保位閥、行程開關、閥位傳送器、手輪機構等 |
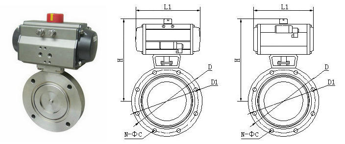
氣動高真空蝶閥連接尺寸:| 公稱通徑(DN) | 50 | 63 | 80 | 100 | 125 | 150 | 200 | 250 | 300 | 400 |
| 連接尺寸 | A | 26 | 32 | 35 | 50 | 55 | 60 |
| ΦD | 110 | 130 | 145 | 165 | 200 | 225 | 285 | 335 | 425 | 510 |
| ΦB | 90 | 110 | 125 | 145 | 175 | 200 | 260 | 310 | 395 | 480 |
| n-ΦC | 4-Φ9 | 8-Φ9 | 4-Φ12 | 12-Φ11 | 12-Φ14 | 16-Φ14 |
相關產品: 電動真空蝶閥